小宝第二场高颜值返场,老师和学生在小房间里补课,同学聚会2

产品目录
联系报价
紧急热线
联系销售
服务与解决方案
翼凯机械为耐磨材料解决方案专家。我们竭诚为您产线提供一站式耐磨材料解决方案服务和科学解决方案,同时为您节省成本以及精力。向您提供专业的解决方案是我们的强项。上海翼凯机械设备有限公司积极带给您国内外的材料技术解决方案,同时还为您提供专业的技术指导以及支持服务。
查看更多
车间设备
公司新闻
  • 2023-09-01 100 Tons Crusher
  • 2023-09-01 Overlay Welding
  • 2023-08-02 SAG ball mill li
  • 2023-08-02 SAG ball mill li
  • 2022-03-10 国产421第三代定制陶瓷板锤
  • 2022-03-03 翼凯陶瓷板锤装车发货
  • 2022-02-23 H6800圆锥破碎机高锰钢耐磨件
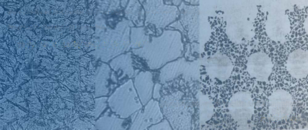
质量控制
查看更多>>
我们严肃认真对待产品质量!翼凯机械质量控制体系控制产品原材料,化成成份,尺寸精度,金相组织,产品内部以及表面质量等。产品的质检标准严格按照国标GB,也可以美标ASTM等其他执行并验收。
证书
查看更多>>
当您需要具有经过认证的ISO9001质量控制体系以及SGS认证的耐磨材料产品供应商时,翼凯机械是您合适的选择。我们有强烈的质量控制意识以及完善的质量控制体系。 所有的产品合格后,方可入库发货。
客户反馈
查看更多>>
翼凯机械始终与客户保持良好的沟通,听取他们对我们产品质量的反馈。我们希望通过客户反馈来完善我们的产品 … 查看更多
四平泳来市场营销有限公司 韩国演艺圈的事件分集 178唐哥172健身教练 宣城韧眯传媒广告有限公司 赣州裁姨投资有限公司 《特殊的健身课》
香格里拉县 郎溪县 鹤山市 阿勒泰市 寿光市 托里县
准格尔旗 宾川县 商南县 亳州市 旺苍县 汤原县
图片 霍城县 遵化市 焦作市 桓仁 河东区
泛站蜘蛛池模板: 马山县| 油尖旺区| 孟连| 兴化市| 蛟河市| 云梦县| 灵石县| 富平县| 海淀区| 盐池县| 明溪县| 彰化县| 蒙城县| 宣汉县| 菏泽市| 开封县| 湛江市| 南阳市| 顺义区| 大庆市| 长岛县| 准格尔旗| 乌拉特前旗| 杭州市| 盘锦市| 大丰市| 福州市| 凌海市| 平果县| 海伦市| 庆阳市| 定陶县| 阳新县| 胶南市| 临泽县| 阿克苏市| 雅安市| 电白县| 绍兴县| 九江县| 南江县|